OTOKO

Телеграм бот 3-х фазный монитор напряжения

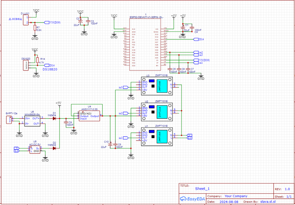
Контроллер телеграм бот для для контроля напряжения 3-х фазной сети, с датчиком температуры и освещённости. MQTT, Телеграм, WEB. Контроллер сделан на микроконтроллере ESP32.

Контроллер позволяет мониторить 3-х фазное напряжение или 3-и раздельные линии напряжения (монитор напряжения). Напряжение измеряется методом True RMS (истинное среднеквадратичное значение) используются 30 выборок за период. Также к нему подключается датчик температуры (DS18B20)  и датчик освещённости (фоторезистор). 
В качестве измерителя можно использовать недорогой модуль ZMPT101B, который гальванически развязывает измеряемую линию и контроллер. Можно, конечно, обойтись и резистивным делителем, но это более «опасный» вариант, хоть и дешевле. 
Есть версия Телеграм бот 3-х фазный логер электросети на PZEM-004T
Все данные от контроллера передаются по WiFi протоколом MQTT или Телеграм (или обоими сразу).

Что умеет контроллер (функциональные возможности):

  • измерение мгновенных значений напряжений
  • измерение пиковых значений U (min, max) — за час, за сутки, за месяц
  • измерение средних значений U — за час, за сутки, за месяц
  • оповещение в телеграм, при выходе напряжений за заданные пределы
  • измерение освещённости
  • измерение температуры
  • оповещение в телеграм, при выходе температуры за заданные пределы
  • запись в архив (долговременную память) показаний пиков, средних значений (за час, сутки, месяц), аварий
  • просмотр   всех показаний и архивов в телеграме
  • отправка измерений в другие системы (Умный Дом, СКАДА, и.т.п.) посредством протокола MQTT
  • синхронизация времени через интернет с серверами точного времени

Телеграм бот 3-х фазный логер электросети на PZEM-004T

WEB интерфейс

монитор напряжения на ESP32
монитор напряжения архив
монитор напряжения настройки

Настройка контроллера

Интерфейс настройки сделан максимально интуитивно понятным,
практически не требующем обращения к инструкции.

1. Для настройки можно использовать телефон/планшет или компьютер с Wi-Fi.
Для начальных настроек Вам нужно подключиться к WiFi сети контроллера: emon (в настройках телефона найти эту сеть и подключиться к ней). Должна выскочить «шторка», нажав на неё вы попадёте на страницу настроек WiFi контроллера. Если этого не произошло переходите к пункту , иначе к п.2.
1а.
Далее набрать в адресной строке браузера адрес:192.168.4.100(или нажать сюда, если Вы уже подключились к сети gate ). После чего Вы попадаете на страницу настроек WiFi блока.
2. Вбить название вашей сети или выбрать её из списка, пароль вашего WiFi и нажать внизу кнопку  «применить»

Нажать внизу кнопку «перезагрузить», подождать секунд 10-15 и повторить п.1.
В строке IP адрес должен появится адрес, который выдал ваш роутер датчику, запомните его (запишите).
Теперь подключитесь к вашей домашней WiFi сети и вбейте в браузере (в адресную строку) этот адрес (для удобства, сделайте закладку в браузере на эту страничку, для последующих повторных подключений). 

«Авто откл точки доступа» – если вы уже настроили подключение к роутеру, то можно установить эту галочку чтоб отключить точку доступа на контроллере. При обесточивании контроллера —  появляется точка доступа с заводской сетью на 60минут.

«Активация MQTT» для интеграции с системами Умный Дом или другими системами, поддерживающими протокол MQTT. Необходимо задать IP адрес MQTT брокера и если необходимо – логин и пароль.
«Префикс топов» – общий (верхний) заголовок тем MQTT сообщений. Список MQTT посылок/переменных в приложении №1.

Телеграм бот — монитор напряжения

С помощь телеграмма Вы можете просматривать как текущие показания, так и накопленные в архиве. Задавать уставки порогов напряжения и температуры.

монитор напряжения WiFi
телеграм монитор напряжения
телеграм меню
телеграм архив
телеграм архив
телеграм уставки
телеграм настройки

Монитор напряжения на ESP32

Файл с таблицей MQTT топиков 

Принципиальная схема контроллера

ВЕРХ